
Foto: Matthias Röseler
Demonstrativ
- Weiterlesen über Demonstrativ
- Anmelden, um Kommentare verfassen zu können

Foto: Matthias Röseler
Seit einiger Zeit hatte ich die Idee, dem Reisegepäck-/Expressgutverkehr einen sinnvollen Rahmen zu geben. Also sollte es wie beim Stückgut spezielle Frachtkarten geben. Die Behandlung derer sollte auch ähnlich dem Stückgut sein. Also gesammelt und unsortiert bis zu einem festgelegten Punkt wo es dann sortiert wird.
Die Stammkarte dient dazu Wagenzüge, die in der Regel ohne Wagenkarten unterwegs sind, mit eindeutigen Angaben zum Umlauf und zur Zugbildung zu versehen. Dabei findet der Umlaufzettel auf der Vorderseite seinen Platz. Die Rückseite nimmt einen gleich großen Zettel mit der Zugbildung auf.
Die Karte wird wie eine normale Wagenkarte laminiert und vorne und hinten mit einer Einstecktasche versehen. Die Stammkarte bleibt wärend des Betriebes immer beim Wagenzug. Die angehängten Bilder zeigen Vorder- und Rückseite der Karte. Zum selber drucken kann die PDF-Datei genutzt werden.
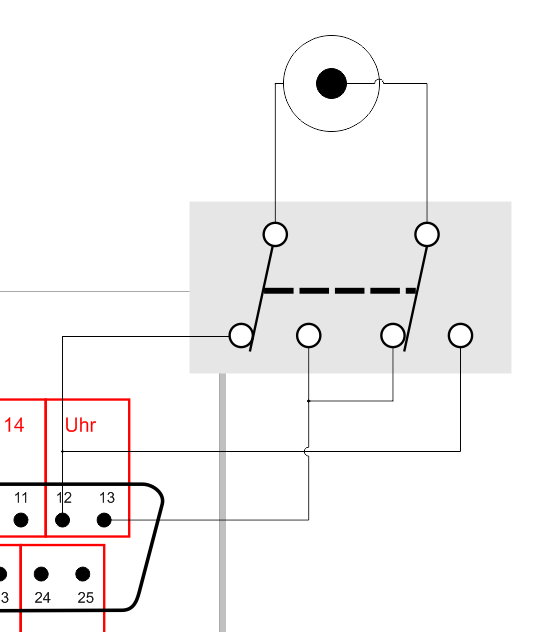
Für die RUT-Leitung wird ein 25-poliges Kabel genutzt. Als Steckverbinder dient Sub-D 25.
Der Artikel zeigt den Aufbau des Sub-D-Steckers sowie die Beschaltung zum Anschluss der Uhr.
Die Frachtmatrix beschreibt die Frachtverbindungen zwischen allen Fracht versendenden Betriebsstellen. Aus ihr kann man ablesen welchen Weg eine Fracht zwischen zwei Betriebsstellen nehmen wird. Meist wird sie in Tabellenform dargestellt. Jede Betriebsstelle ist mit einer Zeile und einer Spalte vertreten. Zusätzlich gibt es für jede Schattenbahnhofsfarbe eine Spalte. Die Spalten der Tabelle repräsentieren die Frachtziele, die Zeilen die Startpunkte von möglichen Frachtverbindungen. Da prinzipiell alle Betriebsstellen sowohl Versender als auch Empfänger sein können, kommen sie sowohl in den Zeilen als auch Spalten vor. Zusätzlich werden für farbcodierte Frachten die den jeweiligen Schattenbahnhöfen zugeordneten Farben als Zielspalten angegeben. Sie enthalten die Informationen des Schattenbahnhofs als Betriebsstelle redundant. Man könnte sie auch direkt beim Schattenbahnhof ablesen.
Im Büro in der Kaffeepause, abends im Bett oder auf der Couch… wo auch immer. Es gibt viele Orte und Situationen, in denen man eigentlich gerne ein wenig „hobeln“ möchte, es aber nicht kann. Das kleine Online-Spiel "Railroad Shunting Puzzle" schließt die Lücke zwischen Modultreffen und übt zügiges Rangieren.